User avatar
Site Admin
Fox ESS Error Code-1 No Utility, Error Code-26 Grid Voltage Fault, Error Code-27 Grid Frequency
Error Code:
Error Code-1 No Utility
Error Code-26 Grid Voltage Fault
Error Code-27 Grid Frequency

I'm making this post to help other owners searching for this error message understand the problem and how to resolve it.

Issue:
These three errors above normally appear together because the grid power connection to the inverter has been isolated. I.e No power to the inverter.

Solution:
This is normally because your circuit breaker has normally tripped to an off state. Locate your circuit breaker or trip switches and try to reset it to restore power.

Circuit breakers should not trip, there is normally a problem or fault or the more commonly, the circuit breaker itself is undersized and tripping during high load situations like force charging.

As a general rule inverters should be installed on the following MCB size:
3.7kW inverters - 20A MCB
5kW inverters - 32A MCB
6kW inverters - 32A MCB
7kW Inverters - 32A MCB
8,9,10kW Inverters - 64A MCB

If using RCBO/RCD ensure that they're bi-directional and 100mA NOT 30mA!
Attachments:
Screenshot 2024-11-24 170825.png
Community Admin / FoxESS Elite Professional

Image Did I help you? Feel free to leave me a tip
Image Book a zoom meeting for remote consultancy or help
Image Switch to Octopus and earn £50
Image Subscribe to my YouTube channel

3 x KH Hybird Inverters (Parallel Mode)
1 x H1 Gen1 (Solar Mode)
1 x H1 Gen2 WL (Testing, Modbus and API development)
24 x HV2600 (62.4kWh)
32 x 490w across 4 arrays

2 x EV's (Tesla & Mercedes)
Heatpump & Low Carbon Housebuild
Re: Fox ESS Error Code-1 No Utility, Error Code-26 Grid Voltage Fault, Error Code-27 Grid Frequency
Thanks Will for this very timely post

I experienced this on Sunday in pouring rain during storm Bert :( The breaker tripped and I reset, but it tripped again a few minutes later. After retetting for the second time (after the force charge session) it has been been fine ever since. I initially thought it may have been caused by a surge related to the storm but aftyer reading your post I remember that at the time I was force charging (programmed to take advantage of a free power session from Octopus) so possibly this was the trigger?

I have a recently installed 3.6k FoxH1 inverter, 11 440w CS panels and a Fox ESS 5kw battery with a B20 breaker.

This has happened once before, not during a charge event

Any thoughts?

Anthony
Re: Fox ESS Error Code-1 No Utility, Error Code-26 Grid Voltage Fault, Error Code-27 Grid Frequency
I've just found I had the same problem. The error log gave this, Tuesday, morning as the time, but looking at history, we've had no function since 19:27 on Sunday 1-12-24.
I've reset it - I'm not sure that it took the first time, so I did it twice, and now we are charging, etc. I hope this is a one-off, but I am worried.

I'm looking at what was going on when the system went down, but I can't see anything untoward in the power consumptions, etc. - it wasn't charging at all, and we were drawing about 800W from the battery at 23% charge.

I've also looked at RVolt, and I don't see any obvious spikes, though I don't really know what would be good or bad voltage wise.

Graham
Graham Fountain
Re: Fox ESS Error Code-1 No Utility, Error Code-26 Grid Voltage Fault, Error Code-27 Grid Frequency
duplicate?
Graham Fountain
Re: Fox ESS Error Code-1 No Utility, Error Code-26 Grid Voltage Fault, Error Code-27 Grid Frequency
graham wrote: Tue Dec 03, 2024 7:31 am I've just found I had the same problem. The error log gave this, Tuesday, morning as the time, but looking at history, we've had no function since 19:27 on Sunday 1-12-24.
I've reset it - I'm not sure that it took the first time, so I did it twice, and now we are charging, etc. I hope this is a one-off, but I am worried.

I'm looking at what was going on when the system went down, but I can't see anything untoward in the power consumptions, etc. - it wasn't charging at all, and we were drawing about 800W from the battery at 23% charge.

I've also looked at RVolt, and I don't see any obvious spikes, though I don't really know what would be good or bad voltage wise.

Graham
If your breaker tripped is it an MCB or an RCD that tripped - If it was an MCB what is it's rating?, it may be too small. If it was an RCD that tripped it is likely it is rated at 30mA - Fox suggest that an RCD with a trip limit of 100mA is used, you often 'get away' without having to do this but if your have a large house or lots of large appliances with heaters your overall leakage current is higher and the inverter may take it over the limit - probably best to discuss this with your installer/electrician.
Re: Fox ESS Error Code-1 No Utility, Error Code-26 Grid Voltage Fault, Error Code-27 Grid Frequency
Dave Foster wrote: Tue Dec 03, 2024 9:04 am
graham wrote: Tue Dec 03, 2024 7:31 am I've just found I had the same problem. The error log gave this, Tuesday, morning as the time, but looking at history, we've had no function since 19:27 on Sunday 1-12-24.
I've reset it - I'm not sure that it took the first time, so I did it twice, and now we are charging, etc. I hope this is a one-off, but I am worried.

I'm looking at what was going on when the system went down, but I can't see anything untoward in the power consumptions, etc. - it wasn't charging at all, and we were drawing about 800W from the battery at 23% charge.

I've also looked at RVolt, and I don't see any obvious spikes, though I don't really know what would be good or bad voltage wise.

Graham
If your breaker tripped is it an MCB or an RCD that tripped - If it was an MCB what is it's rating?, it may be too small. If it was an RCD that tripped it is likely it is rated at 30mA - Fox suggest that an RCD with a trip limit of 100mA is used, you often 'get away' without having to do this but if your have a large house or lots of large appliances with heaters your overall leakage current is higher and the inverter may take it over the limit - probably best to discuss this with your installer/electrician.
It's a LIVE CA132b, 32A circuit breaker, which had tripped. That should be good to 7.6kW at 240V, where the system reports itself at drawing and giving upto 5kW. Should I be concerned the headroom is a bit small? I usually go for a factor of 2, e, or Pi, rather than root 2, for mundane systems. But we weren't drawing anything like 5kW from the inverter when it dropped out. It's coupled to a LIVE RDA263-100, 100mA RCD and an OB112, which reads 1552067 kWh (is that, roughly, 1230kWh per day in 21 months?).

I hope that's enough information, as I had to move the vacuum cleaner to get it, and I prefer it if that just sits there gathering dust.

Would it possibly have tripped for a dip in supply voltage?

This is the first time I've had to reset that, or had an issue anything like this, in the 21 months the system has been up and running. As said, we weren't doing anything unusual at the time - dinner was late that day, so the fan oven was on, but not heating, as were the heaters for the two reptile cages (which are different from the kids bedrooms), and that's the same as some point in nearly every day since installation.

I know MCBs can go funny when they're very old - I've replaced two of the ones in the house box for being over sensitive in the 20 years we've been here. But they certainly weren't new when we moved in.

I guess I'll just have to watch this one, and see if it goes again soon. If it does turn out to be a frequent problem, I suppose I'll have to replace it. That may mean learning how to isolate it from both mains (easy) and the inverter (not so sure). But it's at least tomorrow's problem, I hope.

Graham
Graham Fountain
Re: Fox ESS Error Code-1 No Utility, Error Code-26 Grid Voltage Fault, Error Code-27 Grid Frequency
graham wrote: Tue Dec 03, 2024 12:58 pm It's a LIVE CA132b, 32A circuit breaker, which had tripped. That should be good to 7.6kW at 240V, where the system reports itself at drawing and giving upto 5kW. Should I be concerned the headroom is a bit small? I usually go for a factor of 2, e, or Pi, rather than root 2, for mundane systems. But we weren't drawing anything like 5kW from the inverter when it dropped out. It's coupled to a LIVE RDA263-100, 100mA RCD and an OB112, which reads 1552067 kWh (is that, roughly, 1230kWh per day in 21 months?).

I hope that's enough information, as I had to move the vacuum cleaner to get it, and I prefer it if that just sits there gathering dust.

Would it possibly have tripped for a dip in supply voltage?

This is the first time I've had to reset that, or had an issue anything like this, in the 21 months the system has been up and running. As said, we weren't doing anything unusual at the time - dinner was late that day, so the fan oven was on, but not heating, as were the heaters for the two reptile cages (which are different from the kids bedrooms), and that's the same as some point in nearly every day since installation.

I know MCBs can go funny when they're very old - I've replaced two of the ones in the house box for being over sensitive in the 20 years we've been here. But they certainly weren't new when we moved in.

I guess I'll just have to watch this one, and see if it goes again soon. If it does turn out to be a frequent problem, I suppose I'll have to replace it. That may mean learning how to isolate it from both mains (easy) and the inverter (not so sure). But it's at least tomorrow's problem, I hope.

Graham
A 32A breaker should be more than sufficient for a 5kw inverter unless you wire the EPS to run in bypass, but as you say there was no particular load on the system at the time so unlikely to be over current. The 100mA RCD should also be more than enough to cope with the transients - it could as you say be a problem on the grid side that has caused the breaker to trip, but also worth double checking that all the terminal connections are tight (i've seen problems with OB112 terminations being loose and arcing).
Re: Fox ESS Error Code-1 No Utility, Error Code-26 Grid Voltage Fault, Error Code-27 Grid Frequency
Dave Foster wrote: Tue Dec 03, 2024 2:09 pm
graham wrote: Tue Dec 03, 2024 12:58 pm It's a LIVE CA132b, 32A circuit breaker, which had tripped. That should be good to 7.6kW at 240V, where the system reports itself at drawing and giving upto 5kW. Should I be concerned the headroom is a bit small? I usually go for a factor of 2, e, or Pi, rather than root 2, for mundane systems. But we weren't drawing anything like 5kW from the inverter when it dropped out. It's coupled to a LIVE RDA263-100, 100mA RCD and an OB112, which reads 1552067 kWh (is that, roughly, 1230kWh per day in 21 months?).

I hope that's enough information, as I had to move the vacuum cleaner to get it, and I prefer it if that just sits there gathering dust.

Would it possibly have tripped for a dip in supply voltage?

This is the first time I've had to reset that, or had an issue anything like this, in the 21 months the system has been up and running. As said, we weren't doing anything unusual at the time - dinner was late that day, so the fan oven was on, but not heating, as were the heaters for the two reptile cages (which are different from the kids bedrooms), and that's the same as some point in nearly every day since installation.

I know MCBs can go funny when they're very old - I've replaced two of the ones in the house box for being over sensitive in the 20 years we've been here. But they certainly weren't new when we moved in.

I guess I'll just have to watch this one, and see if it goes again soon. If it does turn out to be a frequent problem, I suppose I'll have to replace it. That may mean learning how to isolate it from both mains (easy) and the inverter (not so sure). But it's at least tomorrow's problem, I hope.

Graham
A 32A breaker should be more than sufficient for a 5kw inverter unless you wire the EPS to run in bypass, but as you say there was no particular load on the system at the time so unlikely to be over current. The 100mA RCD should also be more than enough to cope with the transients - it could as you say be a problem on the grid side that has caused the breaker to trip, but also worth double checking that all the terminal connections are tight (i've seen problems with OB112 terminations being loose and arcing).
I don't much fancy getting inside the box to check the terminations. I can see potentially terminal problem there, as I'm not sure how to isolate the inverter. Hopefully, then, it's a grid side issue and one with a low frequency. If it only happens once a year or so, I probably won't do anything other than reset the trip and mutter a bit for a couple of days.

Graham
Graham Fountain
Re: Fox ESS Error Code-1 No Utility, Error Code-26 Grid Voltage Fault, Error Code-27 Grid Frequency
It went again at about 3:30 am yesterday morning. Looks like it coincided with it stopping charging, with hardly anything running but the fridge. It's cost us a few quid powering the house at day rates for the electricity all yesterday, but we start today with the battery still full.

This is a worry, and I think I'll have to get on to the installers.

Graham
Graham Fountain
Re: Fox ESS Error Code-1 No Utility, Error Code-26 Grid Voltage Fault, Error Code-27 Grid Frequency
graham wrote: Fri Dec 13, 2024 9:34 am It went again at about 3:30 am yesterday morning. Looks like it coincided with it stopping charging, with hardly anything running but the fridge. It's cost us a few quid powering the house at day rates for the electricity all yesterday, but we start today with the battery still full.

This is a worry, and I think I'll have to get on to the installers.

Graham
Yes agree, you need to be able to rely on it. It could be a faulty MCB or an earth leakage problem and that will need an electricians test gear to check out.
Re: Fox ESS Error Code-1 No Utility, Error Code-26 Grid Voltage Fault, Error Code-27 Grid Frequency
Is it likely any earth fault would trip the MCB without tripping the RCD? That is what's happened these two times.

If it ends up being down to me, I reckon I'll just swap the MCB and see if that fixes it. I assume, with the RCD off, that's a fairly easy job, same as in the house fusebox.

Graham
Graham Fountain
Re: Fox ESS Error Code-1 No Utility, Error Code-26 Grid Voltage Fault, Error Code-27 Grid Frequency
The MCB is now tripping frequently in the day, 3 times already today. It also does not want to reset, takes a couple of goes to latch it, and feels weak when I'm setting it. As I remember, that's like the MCBs I've had fail in the house box before. I wonder if it will feel unusually warm if I catch it when it's just tripped.

I wanted to have more than two events to report to the installer. But now I have far more than I wanted, and have to wait till tomorrow. Still, replacing the MCB, if that's all it is, is cheap.

Graham
Graham Fountain
Re: Fox ESS Error Code-1 No Utility, Error Code-26 Grid Voltage Fault, Error Code-27 Grid Frequency
Is the current flow through this MCB bidirectional, so if I turn off the RCD, it's still live from the grid?

If that's true, where can I turn off the rid side?
Graham Fountain
User avatar
Site Admin
Re: Fox ESS Error Code-1 No Utility, Error Code-26 Grid Voltage Fault, Error Code-27 Grid Frequency
Stop resetting it and contact a professional, you have a fault that needs to be traced and fixed.
Community Admin / FoxESS Elite Professional

Image Did I help you? Feel free to leave me a tip
Image Book a zoom meeting for remote consultancy or help
Image Switch to Octopus and earn £50
Image Subscribe to my YouTube channel

3 x KH Hybird Inverters (Parallel Mode)
1 x H1 Gen1 (Solar Mode)
1 x H1 Gen2 WL (Testing, Modbus and API development)
24 x HV2600 (62.4kWh)
32 x 490w across 4 arrays

2 x EV's (Tesla & Mercedes)
Heatpump & Low Carbon Housebuild
Re: Fox ESS Error Code-1 No Utility, Error Code-26 Grid Voltage Fault, Error Code-27 Grid Frequency
Will wrote: Sun Dec 15, 2024 7:56 pm Stop resetting it and contact a professional, you have a fault that needs to be traced and fixed.
I'm sure that was intended to be couched as advice, rather than as a direct order. Anyway, I will consider it as such.

I certainly wasn't going to sit here waiting for the installers engineer to come, or call an emergency electrician, after the MCB tripped once or even twice! Now it's gone 3 times in one day, I'm happy that resetting it any more is a waste of time; except, that I don't want the battery left at a very low level of charge unless I can't avoid that.

But, as an engineer with 40 years experience with avionic systems on fast jet fighter aircraft - not all of which run off 28V DC -, I do have some interest in understanding even quite complex systems. I haven't needed to look at this aspect of this one, as such, as I don't intend to wire one up. But as it's clearly got a fault, I do want to understand it.

So, does anyone have a diagram for the general installation of a AC1-5.0-E, showing where the MCB and RCD sit in the connections to the grid?

Graham
Graham Fountain
Re: Fox ESS Error Code-1 No Utility, Error Code-26 Grid Voltage Fault, Error Code-27 Grid Frequency
graham wrote: Mon Dec 16, 2024 8:19 am
So, does anyone have a diagram for the general installation of a AC1-5.0-E, showing where the MCB and RCD sit in the connections to the grid?

Graham
Avionics, sounds like you had an interesting career - I started out at a similar time to you as a design engineer on nuclear power stations, but many of my friends drifted off to work in the avionics sector (BAE mostly)

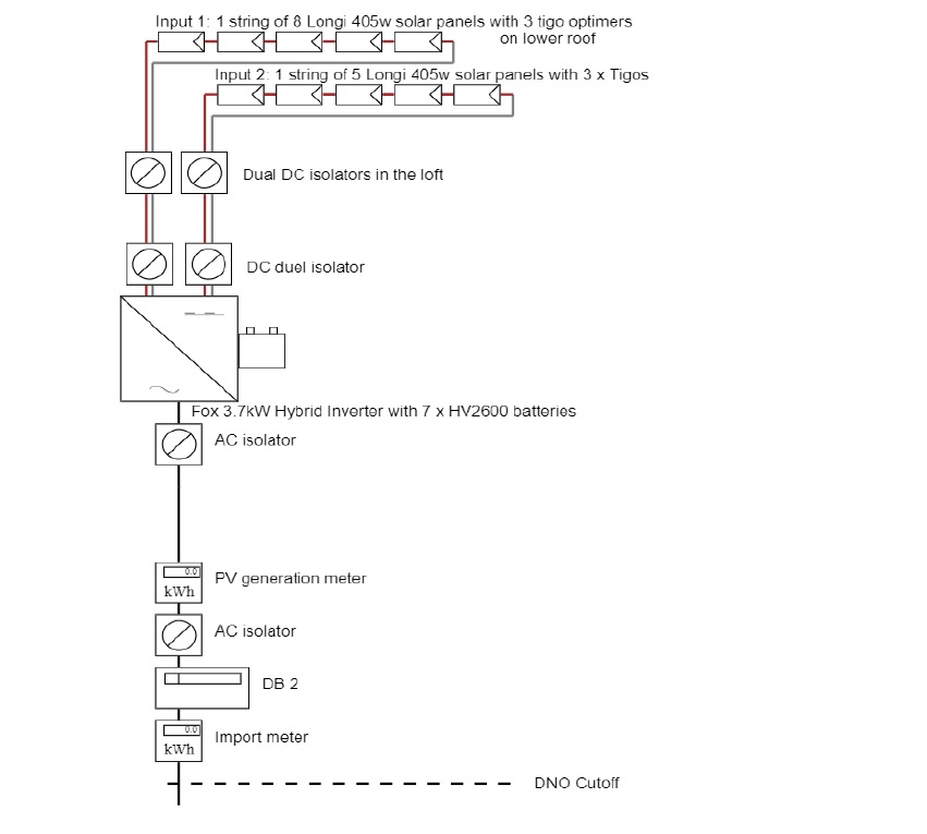
Anyway it does sound very much as if you have a faulty MCB - here is a download link to the manual for the H1/AC1 inverter https://www.fox-ess.com/download/getFile.php?id=88 and has a few schematics of a typical install but mostly installation guidelines - the problem being that every install will be different and you usually have additional isolators in - the installer is supposed to have left you with a schematic as part of the install (usually located near the inverter - see example attached) as this is mandated by the DNO.

The main thing is that you pay special attention - as you say it is bi-directional (or as BS refers to it as having multiple power sources). Isolating the grid is only one part, you also have to isolate any other sources that you have - in this case the inverter must be isolated from both AC and PV, and the batteries powered off with their DC isolator switch open before you work on the system (and if you have any other sources solar inverters/generators etc.. they must also be all isolated).
There is a video in the guides which shows the typical isolator switches you may expect to see have viewtopic.php?t=5.

But the main point is with multiple sources much as you measure twice, cut once - you must always check every source is isolated first and then test it before you disconnect anything - I have to say this for obvious reasons but if there is any doubt about the installation wait for an electrician, it's better you are still with us on xmas day than your AC1 being operational.

111111.jpg
Re: Fox ESS Error Code-1 No Utility, Error Code-26 Grid Voltage Fault, Error Code-27 Grid Frequency
I have an older issue of that manual, but I couldn't find any ref to the MCB and where it's connected in. Then it dawned on me to look for the RCD to see if I can infer the MCB's location from that. So the diagrams on page 30/31 in my copy (35/36 in the one you linked to), which I've included - hopefully without infringing any rights -, shows a switch or switches on the home loads side of the RCD, and I think that must be the MCB. In which case, the MCB would only carry current in one direction, either from inverter or grid, which ever is winning, and is fully isolated by the RCD.
MCB connection.jpg
MCB connection.jpg
Except they can't be right, because if they were right, then tripping the RCD would bring the house down, and it don't (doesn't even get a chuckle). So I remain most uncertain about where the RCD and MCB fit in the system, somewhere between the inverter, meter, and home fusebox.

I think they might be on the inverter side of the three-way junction with the smart meter and the home fusebox, and do pass current in either direction. So, when the RCD or MCB trip, the home loads stay connected to the grid through the meter, but no power can pass to or from the inverter. But, maybe, if the RCD is nearer the meter than the MCB, the MCB is isolated from the grid by the RCD. And, if the inverter cuts output when it can't see the mains, the MCB is then isolated on that side too. But I would very much like that confirmed before I even take the cover off to measure if there are any volts on it to speak of.

I have tried to contact the supplier's maintenance Dept, but their phone just automatically hangs-up if I pick that option. The supplier's customer service team say they'll get someone to ring me back sometime real soon now. So, I am a bit concerned that it is going to be a bit slow, and I'm loosing several pounds a day without the battery. So, as what appears to be a reasonable quality MCB is about £5 next day delivery from Amazon, the temptation to do the job myself is not small. But I won't do anything unless I'm certain there's no significant risk; especially to me.



I was indeed with British Aerospace, later BAE Systems, at Brough. I did move to Warton in the early 2000s, but I never worked for Effing Bob Smith. I was, briefly, TIKAL'ed, but it didn't make me laugh. I ended my working days as network architect on Tempest.
Graham Fountain
Re: Fox ESS Error Code-1 No Utility, Error Code-26 Grid Voltage Fault, Error Code-27 Grid Frequency
Sadly you can't rely on the manual schematics for your installation as each installer will very likely do things differently depending on your current home wiring and the type of install, the manual really lists the mandatory requirements that have to be met by the installer where the main pre-requisites are around conductor dimensions and it should be fed from an RCD 100mA and an MCB that are rated to handle the inverters current.

I've seen inverters wired off a breaker in a consumer unit (not recommended and dangerous in my view) but the most common is what I think you are describing.

The installer fits a Henley block just after the smart meter and this feeds the main consumer unit (all house loads) and is connected to a separate db (mini consumer unit usually marked PV or solar) which contains both the RCD and the MCB. This then feeds into a generation meter (OB112 in your case) which is an old legacy requirement of FiT installs, often into an AC isolator so the inverter can be easily isolated and then into the inverters AC connector.

I've attached a very simple schematic of what a common install might look like, but you'll have to do your own investigations to confirm.
Attachments:
Common Install.jpg
Re: Fox ESS Error Code-1 No Utility, Error Code-26 Grid Voltage Fault, Error Code-27 Grid Frequency
Based on what does and doesn't happen when the MCB (and or the RCD) trips, I'm pretty close to certain that diagram shows where the PV MCB and RCD connect in my system.

The only question that I don't think there's evidence to answer, is about the relative positions of the RCD and MCB. If they are as shown, with the RCD on the grid side of the MCB and assuming the inverter shuts off its output when there's no grid connection through the MCB, then with the RCD tripped, the MCB will be fully isolated. But if they are the other way around, and the RCD is on the inverter side of the MCB, then the MCB will be live, even when the RCD is tripped. I can't see anyway to test that, other than to carefully take the PV unit cover off, and check with a meter. I may be being overcautious about swapping the MCB if it's live. But I think I'd rather not try that.

I have to say, that wiring the system with the PV MCB on the meter side of the RCD makes no sense to me. But just because it makes no sense doesn't make it impossible.

To be honest, the arrangement shown it the diagrams in the user manual makes no sense to me either. But maybe I'm missing something, and the RCD it shows is that in the consumer unit, and the RCD/MCB for the inverter are somewhere else.

Out of interest, what's the danger in wiring the inverter off the consumer unit, other than it then don't have its own, separate RCD?

Graham
Graham Fountain
Re: Fox ESS Error Code-1 No Utility, Error Code-26 Grid Voltage Fault, Error Code-27 Grid Frequency
It’s quite common particularly with larger RCD’s to have that as the main dual pole isolator, then you have the cheaper MCB’s downstream - it’s more cost effective if you have multiple MCB’s. There are also installs with a large dual pole isolator MCB feeding individual RCBO’s which works well giving you finer control where you have multiple large element appliances kettles, washing machines, EV charger etc.. they can easily overwhelm a single RCD isolator - so it will largely come down to cost and effectiveness what is chosen.

I’ve seen plenty wired off the consumer unit, I don’t like that you have the common live busbar at the bottom as you might reasonably expect when the MCB is open the outgoing feeds would be isolated but here you would have a live busbar at the bottom and a live feed at the top - I know you have to label as multiple sources but it just feels a potential risk.
But the main problem is if you have a main RCD isolator you would need to lift it to 100mA to meet the Fox requirements which means all the domestic circuits would then need 100mA to trip - not good.
You ‘could’ get round it by using a normal (non RCD) as the main isolator and have individual 30mA RCBO’s for each domestic circuit and a 100mA RCBO for the inverter but it’s expensive.

Let us know how you get on 👍
Re: Fox ESS Error Code-1 No Utility, Error Code-26 Grid Voltage Fault, Error Code-27 Grid Frequency
Well, the replacement MCB is in, and the cover is back on. It was isolated from the grid by the RCD, but I still wore my wellies and marigolds.

The system is up, and has been running for over an hour so far.

I put a Hager MCB in because I couldn't get a Live one till gone Xmas, and couldn't face cooking the turkey at E7 day prices. The rest of the house is on Hagers, and only 2 of 8 have failed in 20 years - so far. But I'm less than ecstatic about its physical fit in the Live box, and have ordered a Live one anyway and will have another look when that turns up next year. The Hager will then do as a spare for the house box.

I did try to start it yesterday, just to monitor battery power, but it didn't stay up long enough for the system to boot. So its running for even only an hour fills me with confidence.

I can, BTW, see now that it's been loosing 8 percent per day, or so. So it was down to 65% by the time I swapped the MCB over, and I was worrying unnecessarily.

I'll let you know if it goes down again.

Yule tomorrow and the return of the sun.

Hopefully I won't be back for a while. So thanks for all the help and advice.

Graham
Graham Fountain
Re: Fox ESS Error Code-1 No Utility, Error Code-26 Grid Voltage Fault, Error Code-27 Grid Frequency
Great, sounds good so far - i’ll keep everything crossed, cheers.
Re: Fox ESS Error Code-1 No Utility, Error Code-26 Grid Voltage Fault, Error Code-27 Grid Frequency
Will wrote: Sun Nov 24, 2024 5:14 pm Error Code:
Error Code-1 No Utility
Error Code-26 Grid Voltage Fault
Error Code-27 Grid Frequency

I'm making this post to help other owners searching for this error message understand the problem and how to resolve it.

Issue:
These three errors above normally appear together because the grid power connection to the inverter has been isolated. I.e No power to the inverter.

Solution:
This is normally because your circuit breaker has normally tripped to an off state. Locate your circuit breaker or trip switches and try to reset it to restore power.

Circuit breakers should not trip, there is normally a problem or fault or the more commonly, the circuit breaker itself is undersized and tripping during high load situations like force charging.

As a general rule inverters should be installed on the following MCB size:
3.7kW inverters - 20A MCB
5kW inverters - 32A MCB
6kW inverters - 32A MCB
7kW Inverters - 32A MCB
8,9,10kW Inverters - 64A MCB
I wonder if there is a similar list of MCB sizes relating to the micro inverters which are coming out soon. It might be a bit more complex because different sizes of micro inverters and then there are numbers of micro inverters on a particular parallel string:

https://www.fox-ess.com/wp-content/uplo ... 241106.pdf
Equipment Currently installed: Nothing (yet!)

Mark Carline
https://www.markcarline.co.uk
Re: Fox ESS Error Code-1 No Utility, Error Code-26 Grid Voltage Fault, Error Code-27 Grid Frequency
Hi, I have had this happen about 15 minutes ago. Ive looked at the breaker and it hasn't tripped. before I call the installer is there anything else? :D
Re: Fox ESS Error Code-1 No Utility, Error Code-26 Grid Voltage Fault, Error Code-27 Grid Frequency
Wolfenden12 wrote: Wed Jan 08, 2025 11:07 am Hi, I have had this happen about 15 minutes ago. Ive looked at the breaker and it hasn't tripped. before I call the installer is there anything else? :D
All you can do is check all the circuits that feed the inverter, open and close any breakers in case it’s tripped but not dropped the lever - failing that if it doesn’t come back on it would be wise to leave the breaker feeding it open and call the installer.
Post Reply