dual smart meter problem
There is a problem, we have
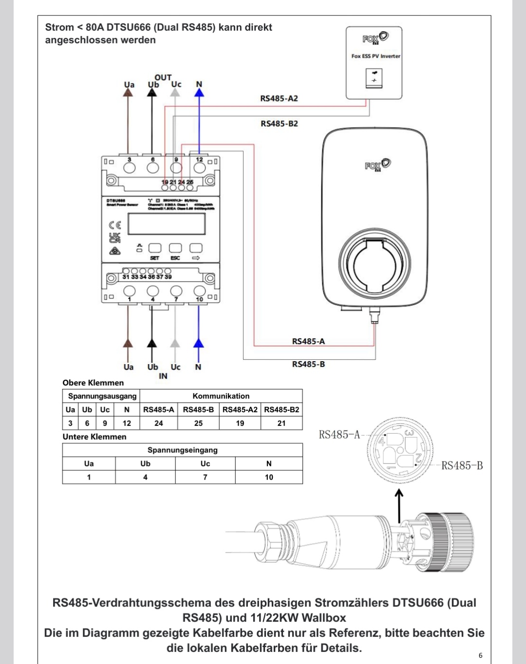
Fox h3 12e, ev charger, dual smart meter.
First channel rs485: 24,25:
24 (a) pin of the meter for 4 ev charger.
25 (b) pin of the meter for 2 ev charger.
Second channel rs485: 19,21:
19 (a2) pin of the meter for 4 inverters.
21 (b2) pin of the meter for 3 inverters.
In the inventory, meter 2 is on, meter 1 is off. On the meter, channels 1 are charging station, 2 are converter. Inverter in the network, charging station too. But the meter does not see the load at home, it shows 25-50 watts, and shows that it always takes 0 from the network. If you put a meter with one rs485 bus - everything is ok, it sees the load. Question: what am I doing wrong? I can add screenshots and a diagram if necessary.
Attachments:
IMG_20241104_100252.jpg